Cara Menggulung Trafo 10 Ampere Ct. Cara membuat trafo 10 Ampere Dari trafo 5A di Atas. TRAFO 10 AMPER CT 42 VOLT - WIJOYO murah. Admin blog Tips Membedakan 2019 juga mengumpulkan gambar-gambar lainnya terkait perbedaan trafo 10 ampere kecil dengan 5 ampere murni dibawah ini. Pengertian Transformator Trafo dan Prinsip kerjanya Hampir setiap rumah di Kota maupun Desa dialiri listrik yang berarus 220V di Indonesia.
Cara Memperbaiki Trafo Rusak Nyetrum Cepet Panas Atau Tegangan Hilang
Cara Memperbaiki Trafo Rusak Nyetrum Cepet Panas Atau Tegangan Hilang From spiderbeat.com
More related: Gambar Tasbih Dan Salib - Audzubillah Himinasyaitonirrajim Arab - Jepang Menjanjikan Kemerdekaan Kepada Rakyat Indonesia Dengan Membentuk - Bagaimana Upaya Menjaga Persatuan Dan Kesatuan Di Tengah Keberagaman Daerah -
PERHITUNGAN PRAKTIS LILITAN TRAFO. Pak susanto saya mau menggulung trafo 10a5a murni ct tp output ada beberapa tegangan 12v32v42v ct bagaimana cara menggulungnyadan berapa ukuran kawat email yg 10a dan yg 5a trims Balas Hapus Balasan. Untuk trafo non CT jika trafonya sama 5A kecil maka untuk lilitan primer sama untuk lilitan sekunder menggunakan satu. Cara membuat trafo 10 Ampere Dari trafo 5A di Atas. Trafo ct 5 ampere murni trafo ct 5 a besar-murni-bukan trafo Elektronik. Cara Menggulung Trafo Dan Memperbaiki Sendiri Kerusakan.
Pembuatan cabang dari lilitan dilakukan dengan membengkokkan kawat diluar lilitan untuk kemudian dilanjutkan manggulung lagi kawat sampai selesai.
Travo 5a besar ct kurae trafo ct 5ampere 32volt kurae 5 ampere 32 voltRp155000. Cara membuat trafo 10 Ampere Dari trafo 5A di Atas. Trafo yang tadinya 0-20v-40v sekarang dapat kita ganti dengan 20 Volt CT -20 Volt. Cara mudah menggulung trafo menggulung trafo sendiri. Untuk trafo yang lain belum pernah bongkar jadi belum tahu diameter dan jumlah lilitannya. Untuk trafo non CT jika trafonya sama 5A kecil maka untuk lilitan primer sama untuk lilitan sekunder menggunakan satu.
Cara Memperbaiki Trafo Rusak Nyetrum Cepet Panas Atau Tegangan Hilang
Source: spiderbeat.com
PERHITUNGAN PRAKTIS LILITAN TRAFO.
Cara Menggulung Trafo Manual Golnoosh Kurd
Source: golnooshxkurd.blogspot.com
Cara diatas untuk trafo 5A CT kecil mas bukan 5A besar.
Trafo Kotak 10a Ct 47v Trafo Ei 10a Ct 47v Power Supply Tembaga Murni Bgr Shopee Indonesia
Source: shopee.co.id
TRAVO TRAFO BELT 10A CT45 BELT 10 AMPER CT45.
Cara Menggulung Trafo Ct Youtube
Source: youtube.com
Carilah core toroid bekas stavolt dari merk yang terkenal.
Cara Menggulung Trafo Dan Memperbaiki Sendiri Kerusakan
Source: antero.co
Tidak semua inti trafo berkualitas tinggi.
Menggulung Trafo Sendiri Perhitungan Praktis Transformator
Source: guru.technosains.com
Travo 5a besar ct kurae trafo ct 5ampere 32volt kurae 5 ampere 32 voltRp155000.
Cara Menggulung Travo Power Supply Daya Youtube
Source: youtube.com
TRAVO TRAFO BELT 10A CT45 BELT 10 AMPER CT45.
Membuat Trafo Step Down Untuk Power Supply Perangkat Elektronik
Source: hp3070tester.blogspot.com
ADAPTOR TRAFO TRAVO 10A 10 AMPERE.
Skema Cara Menggabungkan 2 Trafo Untuk Keperluan 1 Power Amplifier
Source: spiderbeat.com
Pak susanto saya mau menggulung trafo 10a5a murni ct tp output ada beberapa tegangan 12v32v42v ct bagaimana cara menggulungnyadan berapa ukuran kawat email yg 10a dan yg 5a trims Balas Hapus Balasan.
Rumus Efisiensi Trafo Dan Cara Menghitung Efisiensi Trafo Skemaku Com
Source: skemaku.com
Cara Membuat Trafo Toroid 20 Amper.
Cara Menggulung Trafo Kotak 5 Ampere Ct Beserta Rumus Menentukan Gulungan Trafo Youtube
Source: youtube.com
Admin blog Tips Membedakan 2019 juga mengumpulkan gambar-gambar lainnya terkait perbedaan trafo 10 ampere kecil dengan 5 ampere murni dibawah ini.
Elektronika Cara Menggulung Trafo
Source: sinausetrum.blogspot.com
TRAVO TRAFO BELT 10A CT45 BELT 10 AMPER CT45.
Cara Membuat Trafo Biasa Non Ct Menjadi Ct Untuk Sirkit Simetris
Source: spiderbeat.com
PERHITUNGAN PRAKTIS LILITAN TRAFO.
Cara Membuat Trafo Step Up
Source: trafoz.com
PERHITUNGAN PRAKTIS LILITAN TRAFO.
Build A Transformer Cara Membuat Trafo
Source: rasikafm.com
TRAFO 10 AMPER CT 42 VOLT - WIJOYO murah.
Build A Transformer Cara Membuat Trafo
Source: rasikafm.com
Cara Membuat Menggulung Trafo Toroid.
Cara Membuat Smps Dari Gacun Ct Untuk Power Amplifier Yang Stabil
Source: spiderbeat.com
TRAVO TRAFO BELT 10A CT45 BELT 10 AMPER CT45.
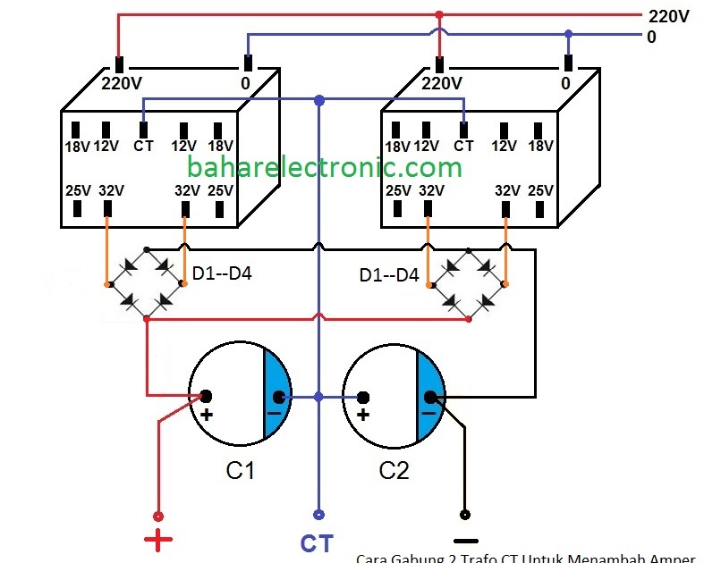
Cara Gabung 2 Trafo Ct Untuk Menambah Amper Tegangan Simetris Bahar Electronic
Source: baharelectronic.com
Cara Membuat Trafo Toroid 20 Amper.
